产品展示

联系我们

beat365中国官方网站

电      话 :0769-23170291/23170292

传      真 :0769-23170293

聯 系 人 :13509209392 劉小姐

网      址 :

邮      箱 :guho22@126.com

地      址 :广东省东莞市万江区新和创业工业园下塘村


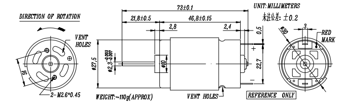
玩具电机

您的当前位置: 首 页 >> 产品展示 >> KRS-395

玩具电机

详细介绍

 

 

 

相关标签: R395,玩具电机价格,玩具电机批发

上一篇:没有了
下一篇:没有了

最近浏览:

在线客服
二维码

扫描二维码

分享
欢迎给我们留言
请在此输入留言内容,我们会尽快与您联系。
姓名
联系人
电话
座机/手机号码